HOME-->製品情報-->マニュアルプローバ->


同軸アーム、同軸プローブ (Coaxial Probes )
(AS-C1 - C5)


SP-0-2Ls
SP-0-2Ls
XYZ100-ER + S-TH + AS-C4
XYZ100-ER + AS-C5

●概要 (Overview)

針を交換できるリーズナブルな同軸プローブです。A-C1は汎用型、
A-C2は針先の保持精度を強化した精密用途向け、A-C3〜C5型は
さらにシールドと絶縁性能を徹底し針先露出を最短に抑えています。


A-C1(AS-C1) Coax. Probe A-C2(AS-C2) Coax. Probe A-C3(AS-C3) Coax. Probe A-C4 ESSTech Inc. A-C5 ESSTech Inc.
A-C1 A-C2 A-C3 A-C4 A-C5

同軸アーム各々の本体です。装着針は別売となりますのでご注意ください。
 
A-C1 + N-W-0s A-C2+N-W-0s A-C3 + N-W-0s A-C4_02
r12umタングステン針(N-W-0S)実装時における先端部

A-C1 + N-Au-3s A-C2 + N-Au-3s A-C3 + N-Au-3s - -
r12um金針(N-Au-3S)実装時における先端部

A-C1 A-C2 A-C3
コンタクトプローブ(PP-1R , PP-1A)装着時

 


●セット内容 (Set contents)
マニュアルポジショナーへ取付けるための、標準セットです。

型式
(Model No.)
主な構成部材
(Components)
数量
(Qty)
参考写真
(Reference
pictures)
備考
(Note)
AS-C1
・同軸アーム (A-C1)
・同軸アーム取付ブラケット (A-SQ)
・中継ケーブル (BNC-SMA[Z=50Ω] L=0.5m)
1
1
1
AS-C1 (Coax. Probe)
・他に専用ネジ、ドライバ・
 レンチ類が付属します。


・ニードルは別売です。
 推奨針:S型(L=12mm)

AS-C2
・同軸アーム (A-C2)
・同軸アーム取付ブラケット (A-SQ)
・中継ケーブル(BNC-SMA (Z=50Ω) L=0.5m)
1
1
1
AS-C2 (Coax. Probe)
AS-C3
・同軸アーム (A-C3)
・同軸アーム取付ブラケット (A-SQ)
・中継ケーブル (BNC-SMA(Z=50Ω)L=0.5m)
1
1
1
AS-C3(Coax. Probe)
AS-C4
・同軸アーム (A-C4)
・同軸アーム取付ブラケット (A-SB4)
・中継ケーブル (BNC-SMA(Z=50Ω)L=1m)
1
1
1
AS-C5
・同軸アーム (A-C5)
・同軸アーム取付ブラケット (A-SB4)
・中継ケーブル(BNC-SMA (Z=50Ω)L=1m)
1
1
1
XYZ100 + AS-C5XYZ160-R + AS-C5
(備考)
  ・針は含まれておりません。最適なものを選定し別途ご購入ください。
  ・弊社標準針は全て使用することができますが、最適長さ(12mm)のニードルをお薦めいたします。
  ・XYZ-300型ポジショナーへの取付は別途専用部品が必要となります。
  ・ケーブル長の変更も承ります(営業部へお問い合わせください)。



●オプション (Optional parts)

各種スペーサー (Spacers for connecting to positioner.)


高さ調整やスパン延長が手軽にできる各種スペーサーをご用意しています。

S-TH 
S-TH
S-TH
S-SE-50

GNDブリッジ用電極セット (GND bridge electrode)


セミリジッド部の外皮電位を利用する場合の配線用に使用します。
ディバイディングやGND(ガード)ブリッジの構成で必要となります。

A-GB 
A-GB


●標準セット型式選定表

<例>
AS-C1(同軸プローブセット:アームA-C1タイプ)
AS-C3-TH(同軸プローブセット:アームA-C3タイプ、オプション多穴ホルダーS-TH付き)



●仕様 (Physical specifications)
型番
(Model No.)
コネクタ
(Connector)
適合針径 (胴径)
(Needle Dia.)
セミリジッド長
(Semi-rigid Length)
挿抜寿命
(Mating Life)
特徴
(Note)
A-C1
SMA-J 0.5±0.05mm
(20mil)
100mm >500 汎用・簡易型
A-C2
精密保持型
A-C3
シールド強化型
A-C4
45mm
短尺・ストレート型
A-C5
0mm コネクタ一体型
(備考)
 




●電気仕様(Electrical specifications)
型番
(Model No.)
絶縁抵抗 (1)
(Insulation R)
耐圧(2)
(Withstanding V)
最大電流
(Max Current)
同軸容量
(Capacitance)
周波数帯域 (3)
(Frequency band)
インピーダンス
(Impedance)
使用温度 (4)
(Temperature
Operating Range)
A-C1
>1GΩ
AC 1000V(rms)
2A
0.11 (pF/mm) DC to 12GHz
50 ohms
-40 to 150℃
A-C2,C3,C4
>5GΩ
A-C5
>1GΩ AC 1000V(rms)
1A
(TBD) (TBD)
(備考)
(1)@DC 500V 25℃/40%RH
(2)(1分間)室温/60%RH、標準タングステン針の場合
(3)コネクタ/セミリジッド部の伝送仕様数値です。先端部のニードル及び保持用の不整合領域は含まれません。
(4)温度は試料台表面温度を示します。耐熱限界は弊社標準針使用時の実績値です。
(5)セミリジッド部分の変更(完全非磁性化、Z変更等)は個別対応にて承ります。



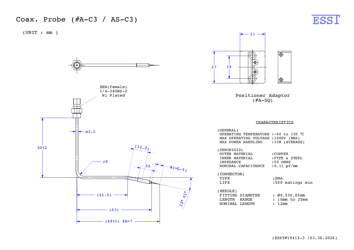
●外形寸法図 (Dimension drawing)

AS-C1 図面
AS-C2 図面
AS-C3 図面 AS-C3 図面 AS-C3 図面
AS-C1 AS-C2 AS-C3 AS-C4 AS-C5


●カタログ

ダウンロード (Rev. /2020/5/15)


お問い合わせ
03-6304-2406
info@esstech.jp
お問い合わせはこちらから