HOME-->製品情報-->マニュアルプローバー-->

小型プローバー SP-0型


●概 要

各社の顕微鏡(実体、金属・生物)の試料台へ直接搭載できるミニサイズのプローバーです。
試料台やポジショナー、微動ステージの組合せで各種プロービングに幅広く対応できます。

実施例
SP-0-2Ls
SP-0-VH60L、XYZ100-EL +AS-C5
+XYZ100-ER + AS-C5 & USB Scope
SP-0-2Ha-XY
CCTV-Camera & Flex- Standbase
SP-0-2La-SXY、XYZ100-ER/EL
AS-C5×2
SP-0-2a-SXY ../../../../image/product/prd.pic035/SP-0-2Ha-XYZ
SP-0-2Ha-SXY、XYZ150-ER +AS-C1
XYZ100-ER + AS-P1
XYZ100-EL + AS-P2

SP-0-VH60L
XYZ100-ER + AS-C1 +PP-1R
XYZ100-EL + AS-P1 + A-GB

SP-0-2Ha-XYZ、XYZ100-ER/EL
AS-P4、AS-P1、PP-1R
SP-0-2La-XYZ SP-0-2La-XYZ SP-0-TC-2La-XY
SP-0-2La-XYZ
XYZ100-ER + AS-P4 + S-TH
XYZ100-EL + AS-P1 + S-TH
SP-0-TC-2La-XY
XYZ100-ER + AS-C4 + S-TH + A-GB




●仕 様

項  目 構  成 仕 様 備 考
1.試料台
真空吸着型チャック
・試料台寸法   :2in/3in
・吸着穴数     :1(2in) / 3(3in)
・材質(標準)   :SUS研削
    (通電型) :銅合金(金鍍金)
・通電方式(標準):(対地絶縁のみ)
    (通電型) :SMA(J)

ウェハ以外の試料台も取付可。
(バイス型など)

2. プローブベース 搭載用ベース
幅120×奥100 (mm) 着磁性研削平面板(Ni防錆処理)
3. 中継端子パネル 中継端子パネル
(BNC/BNC絶縁レセ)×左右各2、計4  
●本体寸法、重量
( 標準型) :幅384×奥120×高84 (mm) 、2.6kg  ※SP-0-2Hs
( ロープロファイル型) :幅384×奥120×高40 (mm) 、2.4kg  ※SP-0-2Ls
 


●標準型(基本形)
SP-0-2Hs SP-0-2Ha SP-0-3Hs    
2"非通電標準型
SP-0-2Hs)
2"通電標準型
SP-0-2Ha)
3"非通電標準型
SP-0-3Hs)
3"通電標準型
SP-0-3Ha)
   
 
●標準型(XY、XYZ増設)
SP-0-2Hs-XY SP-0-2Ha-XY SP-0-2Hs-XYZ SP-0-2Ha-XYZ
SP-0-3Hs-XY
SP-0-3Ha-XY
2"非通電XY
SP-0-2Hs-XY)
2"通電XY
SP-0-2Ha-XY)
2"非通電XYZ
SP-0-2Hs-XYZ)
2"通電XYZ
SP-0-2Ha-XYZ)
3"非通電XY増設型
SP-0-3Hs-XY)
3"通電XY増設型
SP-0-3Ha-XY)
 
●標準型(長作動XY増設ほか)
SP-0-2s-SXY SP-0-2s-SXY SP-0-3Hs-SXY SP-0-3a-SXY SP-0 + HC-2a

 

2"非通電長作動XY
SP-0-2Hs-SXY)
2"通電長作動XY
SP-0-2Ha-SXY)
3"非通電長作動XY増設型
SP-0-3Hs-SXY)
3"通電長作動XY増設型
SP-0-3Ha-SXY)
HC型ホットチャック搭載
(加熱制御)
 
 
●ロープロファイル型(基本形)
SP-0-2Ls SP-0-2La SP-0-3Ls SP-0-3La

 

 

2"非通電型
(SP-0-2Ls)
2"通電型
(SP-0-2La)
3"非通電型
(SP-0-3Ls)
3"通電型
(SP-0-3La)
   
 
●ロープロファイル型(XY、XYZ増設)
SP-0-2Ls-XY SP-0-2La-XY SP-0-2Ls-XYZ SP-0-2La-XYZ (準備中) (準備中)
2"非通電XY
SP-0-2Ls-XY)
2"通電XY
SP-0-2La-XY)
2"非通電XYZ
SP-0-2Ls-XYZ)
2"通電XYZ
SP-0-2La-XYZ)
3"非通電XY増設型
SP-0-3Ls-XY)
3"非通電XY増設型
SP-0-3Ls-XY)
 
●ロープロファイル(特型)
SP-0 + HC-2s SP-0-L-XY + TC-2a SP-0-L-XY + TC-1a SP-0 (Nikon , Olympus)  
HC型ホットチャック搭載
(加熱制御)
SP-0-VH60L
60mmバイス搭載(透過型)
TC-1a/TC-2a型TECチャック搭載
(加吸熱制御)
超薄型透過チャック搭載
(生物・金属顕微鏡用)
 
 

改良のため、実機外観は上記写真と若干異なる場合がございます。予め御了承ください。


●オプション(増設)

●通電対応 a

通電タイプは、二重絶縁され金メッキが施されます。

<型式>
 s:試料台部非通電タイプ  ex. : "SP-0-2Ls"
   (SUS材)
 a:試料台部通電タイプ  ex. : "SP-0-3La"
   (銅合金)

SP-0-2La 
SP-0-3La
通電タイプ 2インチ
通電タイプ 3インチ

●XY(XYZ)ステージ追加(試料台)
試料台に精密微動台を増設することができます。

 XY :各軸 12mm(±6mm) 分解能10um(マイクロメータ)
 SXY:各軸 50mm(±25mm) 分解能 (送りネジのみ)

 ※標準のXYステージ以外に必要な追加軸がある場合はご相談ください。


弊社オリジナルの汎用ポジショナーです。
※ヘッド(プローブアーム)はついておりませんので、オープンまたは同軸のプローブセットをお買い求めください。
XYZ100-E

マイクロメータ駆動式のタイプです。
※ヘッド(プローブアーム)はついておりませんので、オープンまたは同軸のプローブセットをお買い求めください。
XYZ150-E

標準針を手軽に交換でき、一般のDC測定にも好適です。
同軸プローブ (Coax. Probes)

微小V-I計測(シールド)、RF測定(Z整合)などに好適です。
  ※プローブニードルは別売です。
同軸プローブ (Coax. Probes)

電極パッドに同時に2本の針立てを行うためのセットです。

プローブアームの先につける探針です。
材質、針先寸法毎に各種取り揃えております。 
プローブニードル (Probe Needles)

スペーサを取り付けることで、プローブ位置を上下に大きく移動させることができます。
厚みを持った大きな試料の場合に便利です。



試料台を真空吸着固定する際に必要となります。
SPシリーズに最適な最小構成でまとめました。


精密計測に重用するTriax系を主体に、便利な変換系コネクタをご用意しております。
プローバ用アクセサリ

試料台に搭載することが可能です。


●型式選定表
<例>
SP-0-2Ls(ウェハサイズ2インチ、ロープロファイル型(高さ30mm、裏面通電無し)
SP-0-3Ha-XY(ウェハサイズ3インチ、高さ標準、裏面通電有り、XYステージ追加)


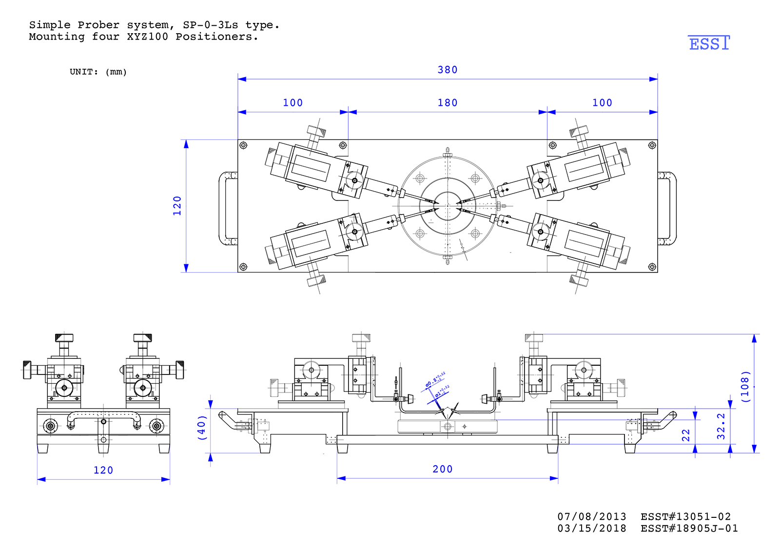
●外形寸法図(代表例) [単位:mm]


SP-0-2s SP-0-3Ls
SP-0-2Ha-XY
標準ポジショナー4台搭載時
SP-0-3Ls
標準ポジショナー4台搭載時



●カタログ

ダウンロード(更新:2019年7月11日)

 



お問い合わせ
03-6304-2406
info@esstech.jp
お問い合わせフォームはこちらから


-->